Build Your Own Theremin: A Beginner's Guide to DIY Electronic Sound
Ever wondered how that eerie sound effect in science fiction movies comes to be? Meet the Homemade Theremin, a fantastic electronic instrument you can control without any physical contact. Instead, it uses the human body as a capacitor and radio frequency oscillators to manipulate frequencies to produce sound at different frequencies.
They help makes science fiction sound effects in movies. It can be sourced commercially, or you can make one from home if the need arises. It is, however, not that easy to create one. So in this article, we will show you how to make a Theremin from scratch, step by step, so that you can master the art of tuning Theremins.
https://depositphotos.com/stock-photos/image-of-a-theremin.html?filter=all&qview=311901964 (Theremin)
1. How does the circuit work?
The Theremin works with a set of high-frequency oscillators, with one of these oscillators at a constant frequency while the other is at a variable frequency. We realize the variable frequency through the body of the operator, also known as the human body capacitance. These two frequencies combine in a circuit called the balanced modulator.
The balanced modulator attenuates these signals and produces a complicated transmission consisting of the sum and difference of the two frequencies. For instance, should one oscillator have initial signs of 107kHz and the other 106kHz, the output will be 213kHz and 1kHz.
Since the highest sound waves humans can hear are about 20kHz, we will only hear the 1kHz difference frequency.
2. Basic Theremin Components
A simple Theremin circuit consists of:
- Pitch reference oscillator
- Pitch control oscillator
- Mixer
- Volume control oscillator
- Volume-resonant circuit and voltage-controlled amplifier
- Audio amplifier
- Power supply
(Blockchain diagram of Theremin)
3. How to Fashion a Homemade Theremin
Requirements include;
- Metal Box
- Monopole antenna
- Looping antenna
- Variable oscillators
- Potentiometers
- Fixed oscillator
- Mixer
- Volume Resonant Circuit
- Voltage Controlled Amplifier
- Audio Amplifier
- Speaker
- AC Power Supply
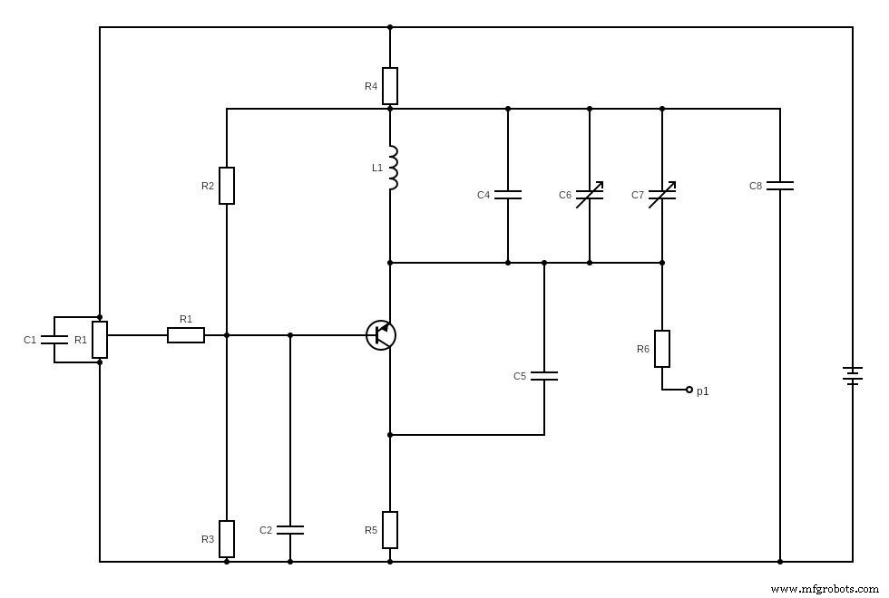
circuit diagram
A circuit diagram will help us in mapping out our Theremin.
The diagram will also help us arrange the components systematically.
(a circuit diagram)
Steps to follow
Use a metal box that is big enough to fit the instrument’s components. Hinge the package at the top for convenience during maintenance and repairs.
Also, the box should be metallic to shield the oscillators from changing the frequency on their own.
Step 1
Install the antennae.
- The monopole antenna should go first at the top, and a similar one should be vertically attached.
- The antenna’s purpose is the pitch control.
- Then attach the loop antennae to the side of the box for controlling the volume.
Step 2
Connecting the components.
i.) Connecting the pitch control.
We need to create a circuit between the variable oscillator and the reference oscillator to control the pitch.
The two units require tuning to a low frequency, and I recommend 172 kHz combined with a 10k audio potentiometer.
The signal we originate feeds into the mixer through the antenna cable.
Wiring Potentiometers into the circuit ensures the change in pitch is more linear; otherwise, the slightest hand movements could affect the angle.
ii.) Connect the variable oscillator to the pitch antenna.
Wire the antenna into the circuit to enable us to change the frequency of the variable oscillator. In layman terms, we will be sending the signal into the course via the antenna for manual manipulation.
iii.) Connect the variable oscillator to the volume antenna.
It should ideally be in a frequency range of about 440 kHz.
The volume antenna helps in manipulating the signal by hand.
Installing a 10k trim potentiometer will help in proper tuning of the Theremin.
Correct tuning will ensure the volume varies when we move our hand closer or further from the antenna.
( Signal background diagram)
Step 3
Feed each output oscillator into the mixer.
The mixer will help us manipulate the two slightly different radio frequencies received from the oscillators, and it will give an output of two distinct frequencies.
We need a low pass filter with two 0.0047uF capacitors and a 1k resistor to get the audio output to a listenable range.
The reason is that frequencies of up to 20 kHz are hard to perceive for humans because that is the lower frequency threshold of our hearing range.
Next, you will route the mixer output and the volume resonant circuit to an amplifier.
The purpose is to boost the sound and control the Theremin’s volume.
Install the speaker
Lastly, link the voltage-controlled amplifier to the audio amplifier then the speaker.
The speaker will amplify the frequency as you manipulate the electromagnetic fields created by the Theremin.
Calibration and testing
The final step after you are done assembling the components is testing and tuning.
Just give them a last glance to ensure everything is put in the right place.
Then, power the Theremin preferably with a source of power ranging from 9V to 12V.
It is easier to buy a power cord with a built-in converter rather than build one.
Just like that, you would have built yourself a simple Theremin.
Note:
These voltages are high enough to cause injury, so observe all safety measures.
Troubleshoot the circuit
In case of the Theremin malfunctions, you can try making the antenna shorter to increase efficiency.
The Theremin should be mute until the operator waves their hand near the antenna.
Some other variables the might affect the Theremins’ performance include:
- antenna length
- air moisture
- the size of the instrument
- operator’s costume
- the operator’s shoe sole resistance to ground
For the Theremin to work efficiently, hook it to an oscilloscope and tune it to a suitable frequency range.
It would help if you also considered giving the Theremin a few minutes before operating it so that it stabilizes.
The Theremin might need recalibration as environmental conditions vary from time to time.
Summary
Through this fantastic project, you will be able to wow your mates with an excellent musical instrument, and all you need is a few essential components.
These steps guarantee you can make a full-fledged Theremin without the big fuss of confusing and complicated instructions.
You now know how to make a primary Theremin circuit with a couple of antennas, oscillators, a mixer, and more. If you have any questions about electronic production, you can contact us.
Industrial Technology
- Mastering AC Circuit Equations: Impedance, Reactance & Resonance
- Build a Reliable Fire Alarm Circuit with a Thermistor – Step‑by‑Step Solderless Breadboard Project
- Expert Guide to Electronic Relay Switch Circuits: NPN, PNP, and N/P Channel Designs
- Electronic Circuit Breaker: Design, Schematic, and Operation Explained
- The 10 Essential Electronic Circuit Components Every Engineer Should Know
- 15 Essential Electronic Circuit Board Components You Must Know
- How Current Limiting Circuits Protect Electronics & Power Supplies
- Build Your Own PCB: A Beginner’s Guide to Homemade Printed Circuit Boards
- Rectifier Circuits: Fundamentals, Operation, and Design Guidelines
- Electronic Circuits Demystified: The Complete Beginner’s Guide