Fanuc G87 Side Drilling Cycle – Drill Three 120°‑Spaced Holes with Precision
Fanuc G87 Side Drilling Canned Cycle
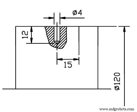
G87 Side drilling cycle is used to drill on the component diameter/side using driven tools.
Read complete tutorial G87 Side drilling cycle
Fanuc G87 Side Drilling Example

3 HOLES SPACED 120º
O0021 G21; G10 P0 X0 Z-100; N8 G28 U0. T808 (RADIAL 4MM DIA DRILL) M5 M45 G28 H0 G97 S3500 M3 G0 G80 G98 X122.Z-15. G87 X96.Q3000 M90 F350. C120.Q1000 M17 C240.Q1000 M17 G80 M5 M44 G0 X150.Z150.M9 M1
CNC Machine
- Master the Fanuc G75 Grooving Cycle: Step-by-Step CNC Program Guide
- Fanuc CNC G81 Drilling Cycle Program – Step-by-Step Example
- Master G83 Peck Drilling Cycle: Efficient Deep Hole Machining Example
- Optimizing Fanuc G81 Drilling Cycle for Efficient Spot Drilling
- Mastering the Fanuc G82 Drilling Cycle: Precision Counterboring for Accurate Depths
- Master the Fanuc G83 Peck Drilling Cycle for Deep‑Hole Efficiency
- Fanuc G87 Side Drilling Canned Cycle: Efficient CNC Lathe Operation
- Fanuc G87 Radial Drilling Cycle: Step-by-Step Programming Guide
- Fanuc G87 Radial Drilling Cycle Guide for CNC Lathes – 21i/18i/16i Series
- Fanuc G87 Side Drilling Cycle – How to Drill 3 Equally Spaced 120° Holes