Fanuc G70 & G71 Roughing & Finishing Turning Cycle CNC Program Example
Here is another cnc lathe program example. This cnc programming example shows the use of Fanuc cnc control G-code for turning canned cycle Fanuc G71 Roughing Cycle. This cnc program also shows the use of Fanuc G70 finishing cycle.
G71 Turning Cycle
Although I have already posted CNC Programming Example with Fanuc G71 Rough Turning Cycle and G70.
And another article CNC Fanuc G71 Turning Cycle or Stock Removal Canned Cycle briefly describes the G71 canned cycle parameters.
CNC Programming Example

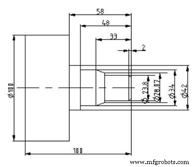
Fanuc G70 G71 Rough and Finish Turning Cycle Program Example
N10 T1 G97 S800 M03 N20 G00 X45 Z2 G42 N30 G71 U2 R1 N40 G71 P50 Q120 U0.25 W0.1 F0.25 N50 G00 X19.8 N60 G01 X23.8 Z-2 F0.2 N70 G01 Z-25 N80 G01 X28.07 N90 G01 X34 Z-33 N100 G01 Z-48 N110 G01 X42 N120 G01 Z-58 N130 G00 X100 Z100 N140 G92 S1200 N150 T3 G96 S150 M03 N160 G00 X45 Z3 N170 G70 P50 Q120 N180 G00 X100 Z100 N190 M30
CNC Machine
- Master the Fanuc G75 Grooving Cycle: Step-by-Step CNC Program Guide
- Master CNC Programming: Fanuc G71 Rough Turning & G70 Finish Cycle Example
- Fanuc G90 Turning Cycle: CNC Program Example for Efficient Turning Operations
- Haas G71 Roughing Cycle Program Example for Inside Roughing
- G71 Rough Turning Cycle One-Line Format: Simplify CNC Fanuc Programming
- Comprehensive Fanuc G94 Facing Cycle Example for CNC Machining
- Master G71 Rough Turning Cycle: Fanuc CNC Lathe Code Example
- Comprehensive Haas G72 Type I Rough & G70 Finish Facing Cycle Program for Fanuc-Compatible Lathes
- Optimized Fanuc G71 Turning Cycle for CNC Lathe Precision
- Fanuc G90 Turning Cycle Example: 0‑TC Program for Efficient Turning