CNC Lathe Programming Tutorial: ID/OD Turning & Boring Without Canned Cycles
A full CNC programming example with ID/OD (Turning/Boring operations) for cnc machinists who work on a cnc lathe machine. A must to learn/practice for those who are learning cnc programming.
The added benefit of this programming example is that no cnc lathe canned cycle is used in this programming example.
CNC Lathe Basic Programming Example (Turning Boring Operations)

CNC Lathe Example Turning Boring
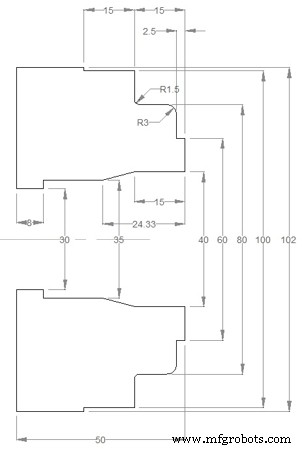
O0000 N10 (ø30 DRILL) G50 T0200 G97 S250 M03 G00 X0 Z5.0 T0202 M08 G01 Z-5.0 F0.07 W1.0 Z-40.0 F0.25 G00 Z5.0 Z-39.0 G01 Z-60.0 G00 Z10.0 X200.0 Z200.0 T0200 M01 N20 (Outside diameter stock removal) G50 S1500 T0100 G96 S180 M03 G00 X94.0 Z5.0 T0101 M08 G01 Z-14.8 F0.27 G00 U2.0 Z0.5 G01 X28.0 F0.23 G00 X87.0 W1.0 G01 Z-14.8 F0.27 G00 U2.0 Z1.0 X80.5 G01 Z-14.1 G02 X81.9 Z-14.8 R0.7 G00 X100.5 W1.0 G01 Z-29.8 G00 U2.0 Z-1.0 G01 X60.5 F0.23 G00 X82.0 W1.0 Z-2.4 G01 X60.5 X72.9 G03 X80.5 Z-6.2 R3.8 G00 U2.0 Z5.0 X200.0 Z200.0 T0100 M01 N30 (Inside diameter stock removal) G50 S1500 T0400 G96 S180 M03 G00 X34.5 Z3.0 T0404 M08 G01 Z-41.8 F0.27 G00 U-0.5 Z1.0 X39.5 G01 Z-15.0 X34.5 Z-24.3 G00 Z10.0 X200.0 Z200.0 T0400 M01 N40 (Out diameter finishing) G50 S1800 T0500 G96 S200 M03 G00 X63.0 Z5.0 T0505 M08 Z0 G01 X38.0 F0.2 G00 X60.0 Z3.0 G42 Z1.0 G01 Z-2.5 F0.2 X74.0 G03 X80.0 Z-5.5 R3.0 G01 Z-13.5 G02 X83.0 Z-15.0 R1.5 G01 X100.0 Z-30.0 X102.0 G40 G00 U2.0 W1.0 G00 Z10.0 X200.0 Z200.0 T0500 M01 N50 (Inside diameter finishing) G50 S1800 T0600 G96 S200 M03 G00 X40.0 Z5.0 T0606 M08 G41 Z1.0 G01 Z-15.0 F0.2 X35.0 Z-24.33 Z-42.0 X29.0 G40 G00 Z10.0 X200.0 Z200.0 T0600 M09 M30
CNC Machine
- Beginner-Friendly Lathe CNC Programming Guide
- G75 Canned Cycle Grooving: CNC Programming Example & Guide
- Beginner’s Guide: G90 Rough Turning Canned Cycle for CNC Machinists
- Master Fanuc G71 Turning & G74 Peck Drilling on CNC Lathes: A Practical Programming Exercise
- Master G71 Rough Turning Cycle: Fanuc CNC Lathe Code Example
- Fanuc CNC Lathe Example: Using G71, G72 & G70 Canned Cycles for Internal Boring & Facing
- CNC Lathe Boring Operation – Simple, Effective Program Tutorial
- CNC Lathe Programming: Using Radius Dimensioning for X‑Axis Cuts
- Precision Contour Turning with G71 Cycle on CNC Lathe – A Practical Example
- CNC Lathe Inside Turning & Boring: Practical Program Example