Industrial manufacturing
Industrial Internet of Things | Industrial materials | Equipment Maintenance and Repair | Industrial programming |
home  MfgRobots >> Industrial manufacturing >  >> Manufacturing Equipment >> CNC Machine

CNC Lathe Boring Operation – Simple, Effective Program Tutorial

Submit by: BEATA

Summary

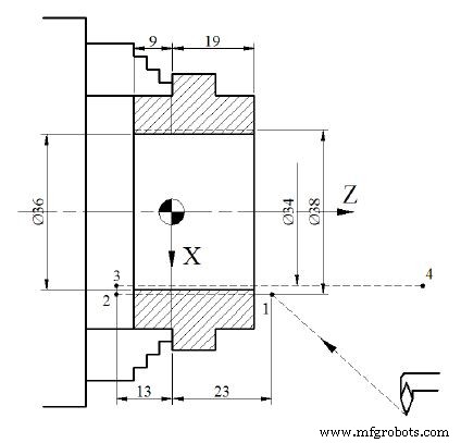
Very simple and basic cnc program example which shows how a simple cnc lathe program can be made to bore a component.
The same program can be used to bore jaws as well.
All the tool movement are named in the drawing.

Drawing/Image

CNC Lathe Boring Operation – Simple, Effective Program Tutorial

CNC Program

%
N10 T04 M06
N20 G97 S830 G95 F0.1 M03
N30 G00 X38 Z23 M08
N40 G01 X38 Z-13
N50 G00 X34
N60 G00 Z200 M09
N70 G00 X200 Z200
N80 M30

CNC Machine

  1. Beginner-Friendly Lathe CNC Programming Guide
  2. Simple CNC Lathe Programming: Inch-Based Example for Beginners
  3. NUMS 322T CNC Program Example – Comprehensive G‑Code for CNC Machining
  4. CNC Lathe Threading with G33 G‑Code – Simple Program Example
  5. CNC Lathe Programming: Simple Contour Turning with Radius Example
  6. X-Axis Groove Creation in CNC Lathe: Program Demo
  7. CNC Lathe Guide: Turning a Diameter with a Simple G‑Code Program
  8. CNC Lathe Facing Program Demo – Tool Movements & Settings Explained
  9. CNC Lathe Programming: Arc Radius Example Using G02 & G03 Codes
  10. CNC Lathe Inside Turning & Boring: Practical Program Example