Industrial manufacturing
Industrial Internet of Things | Industrial materials | Equipment Maintenance and Repair | Industrial programming |
home  MfgRobots >> Industrial manufacturing >  >> Manufacturing Equipment >> CNC Machine

CNC Lathe Programming: Simple Contour Turning with Radius Example

Submit by: cnc programmer

Summary

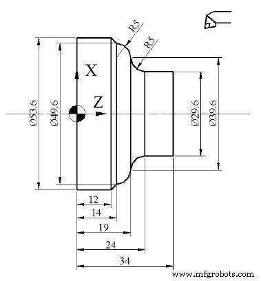
Simple cnc lathe program example to show how a cnc lathe program can be made to turn a simple contour with Radius in it.
Multiple diameters are cut and both Clockwise and Counter Clockwise Radius are machined.

Drawing/Image

CNC Lathe Programming: Simple Contour Turning with Radius Example

CNC Program

%
N10 T105 M06 D2500
N20 G96 S150 G95 F.2 M04
N30 G00 X32 Z34 M08
N40 G01 X-1
N50 G00 X29.6 Z36
N60 G01 Z24
N70 G02 X39.6 Z19 R5
N80 G03 X49.6 Z14 R5
N90 G01 X53.6 Z12
N100 G01 Z-1
N110 G00 X200 Z200 M09
N120 M30

CNC Machine

  1. Simple CNC Lathe Programming: Inch-Based Example for Beginners
  2. CNC Programming: Chamfer & Radius Using G01 G-Code
  3. CNC Lathe Guide: Turning a Diameter with a Simple G‑Code Program
  4. CNC Lathe Facing Program Demo – Tool Movements & Settings Explained
  5. NUM 760 CNC Lathe: Contour Turning & Grooving – Full G-Code Example
  6. CNC Lathe Taper Turning Program: Easy Step-by-Step Example
  7. Example CNC Lathe Program: OD Turning Using G73 Pattern Repeating Cycle
  8. Comprehensive CNC Lathe Program for OD Turning, Drilling, and ID Boring Using G71, G74, G01
  9. Contour Turning Simplified: Full G72 Facing Cycle CNC Lathe Program Example
  10. CNC Outside Turning with Radius: Step‑by‑Step Program Example