Industrial manufacturing
Industrial Internet of Things | Industrial materials | Equipment Maintenance and Repair | Industrial programming |
home  MfgRobots >> Industrial manufacturing >  >> Manufacturing Technology >> Industrial Technology

IGBT Explained: Working Principle, Applications & Benefits

The IGBT is one of the most efficient electronic inventions. The IGBT working principle is unique and comes with numerous commercial applications – as AC/DC motor drives, traction motor controls, UPS (unregulated power supply), inverters, etc.

But, let’s not get ahead of ourselves. You need to understand how the IGBT works fully. So here we go. 

What exactly is IGBT? 

IGBT stands for Insulated Gate Bipolar Transistor. It’s a 3-terminal semiconductor electric device that provides fast switching capabilities at high efficiency.  

To better understand an IGBT, it’s best to understand different transistors in terms of functionality.

IGBT Explained: Working Principle, Applications & Benefits

Transistors

A transistor is a small electronic component with two main functions. It acts as a switch to control lighting circuits and can amplify signals.

There are different types of transistors based on other usefulness or specific applicability. The commonly used transistors are BJT (Bipolar Junction Transistor), MOSFETs, and IGBT.

Both BJTs and MOSFETs have their preferences, as well as advantages over the other. While BJTs prefer low on-state drops, MOSFETs are best for their high I/P impedance, low switching loss, and lack of secondary breakdown.  

The IGBT combines both the BJT and MOSFET, whereby it takes the best of both transistors.

Therefore, an IGBT is a three-terminal device used as a switching device and applicable in amplifying signals. IGBT provides fast switching at high efficiency.

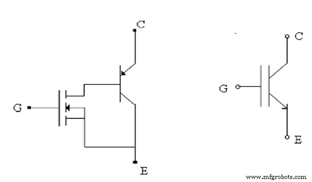
IGBT Symbol

Since IGBT combines BJT and MOSFET, its symbols follow the same principle as below.

IGBT Explained: Working Principle, Applications & Benefits

IGBT Symbol

The symbol also has three terminals – the Collector, Emitter, and Gate. The input side represents the MOSFET, while it takes the output symbol from BJT’s symbol.  

As expected, the conduction terminals are the Collector and Emitter. The Gate is the control terminal.

Structure of IGBT

All three terminals (Collector, Emitter, and Gate) of IGBT are attached with metal layers. However, the metallic material on the Gate terminal has insulation of a silicon dioxide layer.

Internally, the IGBT structure is a four-layer device of semiconductors. The four-layer device comes about by combining PNP and NPN transistors, which make up a PNPN arrangement.

IGBT Explained: Working Principle, Applications & Benefits

Structure of IGBT

Source: Components101

The layer closest to the Collector region is the (p+) substrate, the Injection Region. Right, above it is the N- Drift Region, which comprises the N- layer. 

The Injection Active Region injects most of the carrier (the hole current) from the (p+) into the N- layer.

The thickness of the Drift Region determines the voltage blocking capability of the IGBT.

On top of the Drift Region is the Body Region, which consists of (p) substrate. It is close to the Emitter. Inside the Body Region, there are (n+) layers.

Note that the junctions between the Collector region (or Injection Region) and the N-Drift Region are J2. Similarly, the junction between the N- Region and the Body Region is junction J1.

NOTE: IGBT’s structure is topologically similar to a thyristor in terms of the “MOS ” gate. But, the thyristor actions and functionality are suppressible, meaning that only transistor action is permissible in the IGBTs entire device operation range. 

The IGBT is preferable over the thyristor because of the fast toggling over the thyristor’s wait for zero crossings. 

How Does an IGBT Work?

The IGBT working principle is ON or OFF by either activating or deactivating its Gate terminal.

If a positive input voltage goes across the Gate, the Emitter keeps the drive circuit ON. On the other hand, if IGBT’s Gate terminal is zero voltage or slightly negative, it shuts OFF the circuit application. 

Since the Insulated Gate Bipolar device both functions as a BJT and MOSFET, the amount of amplification it achieves is the ratio between its output and control input signals.

For a conventional BJT, the amount of gain is approximately the same as the ratio of output current to the input current. We referred to it as Beta and denoted as β.  

On the other hand, for a MOSFET, there is no input current because the Gate terminal is an isolation of the main channel carrying current. We determine the IGBTs gain by dividing the output current change by the input voltage change. This makes the IGBT a trans-conductance device.

Operation of IGBT as a Circuit

Let’s explain this using the figure below, which describes the IGBT’s entire device operation range. 

IGBT Explained: Working Principle, Applications & Benefits

Operation of IGBT as a Circuit

The IGBT only works if there is a supply of voltage on the Gate terminal. It is the Gate Voltage, which is VG

As seen on the diagram, once there’s a Gate Voltage (VG), the Gate Current (IG) increases. It then increases the Gate-Emitter Voltage (VGE).

Consequently, the Gate-Emitter voltage increases the Collector Current (IC). Thereby, the Collector Current (IC) decreases the Collector-to-Emitter Voltage (VCE). 

NOTE: The IGBT features a voltage drop similar to diodes, typical to the order of 2V, which only increases with the current’s log. 

The IGBT uses free-wheeling diodes to conduct reverse current. The freewheeling diodes are placed across the device’s Collector-Emitter terminals. 

IGBT Explained: Working Principle, Applications & Benefits

 IGBT, Si Diode

 Source: Researchgate Publication 

The in-built diode is a requirement on IGBTs because the power electronic device can fail the power switch without it. Since switching OFF, an inductive load current generates high voltage peaks whenever there’s no suitable path.  

IGBT Explained: Working Principle, Applications & Benefits

IGBT and FWD module 

Source: Researchgate 

Whenever the Insulated Gate Bipolar Transistor turns off, the minority carriers from the N- Region flow out to the external circuitry. After the depletion layer expands (Collector-Emitter Voltage rises), the minority carriers cause internal recombination of current flow, the tail current. 

Types of IGBT 

As a four-layer device, IGBTs are classifiable based on the presence of the (n+) buffer layer. Insulated Gate Bipolar Transistors with the (n+) buffer layer are the Punch through IGBT (or simply PT-IGBT).

Similarly, IGBTs without the (n+) buffer layer are the Non-Punch through IGBT (or simply NPT-IGBT). Here’s a table of their differences.

IGBT Explained: Working Principle, Applications & Benefits

Insulated Gate Bipolar Transistors are further classifiable on their characteristics. The device design concept for PT-IGBT and the NPT-IGBT can be either symmetrical or asymmetrical. 

The symmetrical IGBTs have equal forward and reverse breakdown voltage. At the same time, asymmetrical Insulated Gate Bipolar Transistors have their forward breakdown voltage greater than the reverse breakdown voltage. 

It means that symmetrical IGBT is mainly applicable in AC circuits. On the other hand, asymmetrical IGBT is applicable in DC circuits, and that’s because they don’t need any supported reverse voltage. 

IGBT Models 

Circuits using the IGBT working principle usually feature modeling using circuit simulators like Saber and SPICE.

The simulators can model the IGBT (and other actual devices) to provide the best predictions regarding currents and voltages on the electrical terminals.

For an even more precise prediction, heat and temperature are included in the simulation process. The most common modeling methods for IGBT’s device design concept are:

The SPICE simulator uses the MacroModel method, which combines various components, such as MOSFETs and BJTs, using a Darlington configuration.

IGBT Working Principle– Electrical Characteristics

Due to IGBT’s reliance on voltage to function, the devices require only a tiny amount of voltage supplied on the Gate terminal to maintain conduction.

IGBT Explained: Working Principle, Applications & Benefits

 Electrical Characteristics

It is the opposite of Bipolar Power Transistors, which need a continuous Base current flow at the Base region to maintain saturation.

At the same time, the IGBT is a unidirectional device, which means it only switches in a “forward direction” (from the Collector to Emitter).

It is the opposite of MOSFETs, which have a bi-directional current switching process. In practical devices, MOSFETs are controllable in a forward direction and uncontrolled in reverse voltage.

Note that under dynamic conditions, the IGBT may experience a latch-up current when the device switches OFF. When a continuous ON-state driving current seems to exceed a critical value, this is a latch-up current. 

Also, when the Gate-Emitter voltage goes below the threshold voltage, a small leakage current flows through the device. At this time, the Collector-Emitter voltage is almost equal to the supply voltage. Therefore, the four-layer device IGBT is operating in the cutoff region. 

IGBT Working Principle–Applications of IGBT 

The IGBT is usable in small-signal amplifiers, just like MOSFETs and BJTs. However, the IGBT makes the best of both, thus features low conduction loss and high switching speed. 

IGBT uses are in most modern electronic devices, such as stereo systems, trains, VSFs, electric cars, air conditioners, etc.

IGBT vs. MOSFET 

Insulated Gate Bipolar Transistors are best in high voltage, low switching frequencies, high current configurations. Conversely, MOSFETs are best in low voltage, high switching frequencies, and medium-current domains.   

IGBT Explained: Working Principle, Applications & Benefits

 IGBT vs. MOSFET 

Source: Researchgate 

The IGBT is usable on practical devices with switching frequencies lower than 20 kHz due to its high switching loss. 

Summary 

We hope you now understand what IGBTs are and how they differ from MOSFETs and BJTs.  Do you have questions or concerns about the IGBT? Feel free to contact us! 


Industrial Technology

  1. Polylactic Acid (PLA) 3D Printing: A Comprehensive Guide for Professionals
  2. Nylon 3D Printing: Expert Guide to Materials, Tech, and Applications
  3. Warehouse Automation: A Comprehensive Guide to Boosting Efficiency
  4. Preventive Maintenance Demystified: A Complete Guide for Modern Organizations
  5. Horizontal Boring Explained: Comprehensive Guide to Precision Hole Drilling
  6. Everything You Must Know About Wi‑Fi 6E: The Next‑Generation Wireless Revolution
  7. Battery Separators Explained: How They Keep Your Devices Safe and Efficient
  8. Power Transistors Explained: Key Features, Benefits, and Applications
  9. 1N5402 Diode Explained: Specs, Applications, and Performance
  10. Injection Molding vs. 3D Printing: Which Method Best Suits Your Project