Understanding CNC M-Code M00: Safely Halting Program Execution
CNC M-code M00 is used to stop the cnc program in the middle when it is executed by a cnc machine.
When M00 appears in a block, the machine will stop cnc program execution, that means both tool feed and spindle speed are stopped.
M00 stops following cnc functions.
- Motion of all axes
- Rotation of the spindle
- Coolant function
- Further program execution
CNC Program Can be Resumed after M00 code
M00 makes cnc program to halt(stop) in the middle, but
M00 doesn’t reset the cnc machine program.
The cnc machine retains it’s active state such as Tool Offset, Feedrate, Spindle Speed, Coordinate Data.
CNC Program Resumption

CNC M-Code M00 Program Stop can be used for Component Inspection in the Middle of CNC Program Processing
If you press the cycle start buttonagain, the machine will continue to run by the program blocks after M00 block.
M00 Makes CNC Program to Stop Every Time
If you want your machine stop every time when the program be executed to some blocks, you just use M00.
M00 When to Use
M00 normally is used for manual intervention, such as
- Component Inspection while the component is still in machine.
- Tool Condition can be checked.
- Chip-removal, see the below cnc program example.
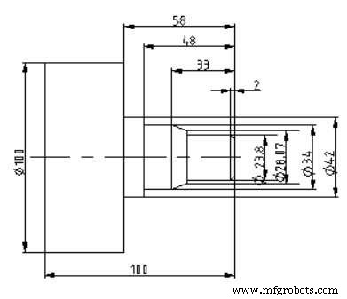
CNC Program Example of M00 M-Code

Fanuc G70 G71 Rough and Finish Turning Cycle Program Example
N10 T1 G97 S800 M03 N20 G00 X45 Z2 G42 N30 G71 U2 R1 N40 G71 P50 Q120 U0.25 W0.1 F0.25 N50 G00 X19.8 N60 G01 X23.8 Z-2 F0.2 N70 G01 Z-25 N80 G01 X28.07 N90 G01 X34 Z-33 N100 G01 Z-48 N110 G01 X42 N120 G01 Z-58 N130 G00 X100 Z100 N140 G92 S1200 N145 M00 N150 T3 G96 S150 M03 N160 G00 X45 Z3 N170 G70 P50 Q120 N180 G00 X100 Z100 N190 M30
As you may see in the above cnc programming example the cnc program will stop every time at block 145.
CNC Machine
- Fanuc CNC Programming Guide: A Simple, Feature‑Rich Example
- Comprehensive CNC Milling Sample Program – G-Code Tutorial & Explanation
- Understanding CNC Program Blocks: A Comprehensive Guide
- Master CNC Programming: A Beginner’s Guide to Fanuc Controls
- Comprehensive Fanuc M-Code Reference for CNC Lathe and Mill
- Haas M01 Optional Program Stop – How It Works & Settings
- How to Use the Haas M00 Stop Program Command
- First CNC Program: Step-by-Step CNC Machining Guide
- Heidenhain CNC Milling Program: Precision Toolpath for Efficient Manufacturing
- CNC Milling Program: Mastering Multiple Arc Interpolations with G2/G3 I & J Parameters