Deep-Hole Peck Drilling with Siemens Sinumerik CYCLE83 – Simple CNC Program
A very simple cnc program example which shows the use of Siemens Sinumerik CYCLE83 Deep Hole Peck Drilling Cycle.
Siemens Sinumerik CYCLE83 Deep Hole Peck Drilling Cycle Overview
CYCLE83(RTP, RFP, SDIS, DP, DPR, FDEP, FDPR, DAM, DTB, DTS, FRF, VARI)
RTP Retraction plane (absolute)
RFP Reference plane (absolute)
SDIS Safety clearance (enter without sign)
DP Final drilling depth (absolute)
DPR Final drilling depth relative to the reference plane (enter without sign)
FDEP First drilling depth (absolute)
FDPR First drilling depth relative to the reference plane (enter without sign)
DAM Amount of degression (enter without sign)
DTB Dwell time at final drilling depth (chip breaking)
DTS Dwell time at starting point and for swarf removal
FRF Feedrate factor for the first drilling depth (enter without sign) Range of values: 0.001 … 1
VARI Machining type (Chip breaking=0, Swarf removal=1)
All the working and parameters of Siemens Sinumerik CYCLE83 Deep Hole Peck Drilling Cycle has already been explained here Siemens Sinumerik CYCLE83 Deep-Hole Peck Drilling Cycle.
To understand difference between DP and DPR read Sinumerik 840D CYCLE81 Drilling Centering Cycle Programming
Siemens Sinumerik CYCLE83 Deep Hole Peck Drilling Cycle Example Code

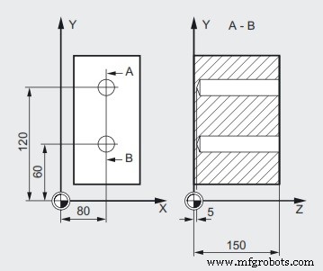
Sample Program Siemens Sinumerik CYCLE83 Deep-Hole Peck Drilling
N10 G0 G17 G90 F50 S500 M4 N20 D1 T12 N30 Z155 N40 X80 Y120 N50 CYCLE83(155, 150, 1, 5, 0 , 100, , 20, 0, 0, 1, 0) N60 X80 Y60 N70 CYCLE83(155, 150, 1, , 145, , 50, 20, 1, 1, 0.5, 1) N80 M02
N50 CYCLE83(155, 150, 1, 5, 0 , 100, , 20, 0, 0, 1, 0)
Call of cycle; depth parameters with absolute values.
N70 CYCLE83(155, 150, 1, , 145, , 50, 20, 1, 1, 0.5, 1)
Cycle call with relative data for final drilling depth and first drilling depth, the safety clearance is 1 mm and the feedrate factor is 0.5
CNC Machine
- CNC Sample Program: G83 Peck Drilling with G70 Bolt Hole Circle for Evenly Spaced Deep Holes
- Siemens Sinumerik CYCLE83: Advanced Deep‑Hole Peck Drilling for CNC Machining
- CNC Lathe Drilling Cycle Example: Sinumerik CYCLE81 for Efficient Machining
- Master Sinumerik CYCLE82 Drilling Counterboring Cycle: Step‑by‑Step Example Program
- Siemens Sinumerik 802S: Advanced CNC Control with Stepper Drive Interface
- Siemens Sinumerik 802C: Low‑End 3‑Axis CNC Control for Efficient Manufacturing
- Siemens Sinumerik 4‑Axis Milling Program: A Practical CNC Example
- Siemens Sinumerik HOLES1: Efficient Row-of-Holes Drilling Cycle
- Comprehensive Siemens Sinumerik CYCLE95 Example: Outside Turning Program
- Comprehensive Siemens Sinumerik CNC Program Example for Precise Machining