Industrial manufacturing
Industrial Internet of Things | Industrial materials | Equipment Maintenance and Repair | Industrial programming |
home  MfgRobots >> Industrial manufacturing >  >> Manufacturing Equipment >> CNC Machine

Comprehensive NUM CNC Milling Program: G45 Pocket Milling, G81 Center Drilling, G84 Tapping, and G87 Chip-Breaking Drilling

Submit by: BEATA

Summary

NUM CNC mill program example which shows the working of many NUM Cycles like G45 Simple Pocket cycle etc.
Following NUM G-Codes Cycles are used in this cnc program example

G45 Simple pocket cycle
G71 Metric data input
G81 Centre drilling cycle
G80 Canned cycle cancel
G87 Drilling cycle with chip breaking
G84 Tapping cycle
G52 Programming of movements in absoluted dimensions with reference to the measurement origin

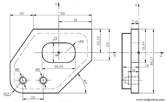
Drawing/Image

Comprehensive NUM CNC Milling Program: G45 Pocket Milling, G81 Center Drilling, G84 Tapping, and G87 Chip-Breaking Drilling

CNC Program

%3354
(Exemple de cycles en fraisage)
N10 G90 G80 G71 G40
N20 G0 G52 Z0 (CENTRAGE)
N30 T8 D8 M6
N40 G97 S1670
N50 G0 X-34 Y-25.98 Z10
N60 G0 Z4 M3 M41
N70 G81 Z-5 F117
N80 X-15 Y-25.98
N90 G80 G00 Z10 M9 M5
N100 G0 G52 Z0 (PERCAGE)
N110 T7 D7 M6 (FORET D6.75)
N120 G97 S1085
N130 G0 X-34 Y-25.98 Z10
N140 G0 Z4 M3 M40 M8
N150 G87 Z-14 P5 ES2 Q3 EP2 F87
N160 X-15 Y-25.98
N170 G80 G0 Z10 M9 M5
N180 G52 Z0 (TARAUDAGE)
N190 T10 D10 M6 (TARAUD M8)
N200 G97 S384
N210 G0 X-34 Y-25.98 Z10
N220 G0 Z4 M3 M40 M8
N230 G84 Z-10 K1.25
N240 X-15 Y-25.98
N250 G80 G00 Z10 M9 M5
N260 G52 Z0 (USINAGE DE LA POCHE)
N270 T4 D4 M6 (FRAISE A RAINURER D8)
N200 G97 S1034
N210 G0 X8 Y0 Z10
N220 M3 M40 M8
N230 G45 X0 Y0 Z7.16 ER4 EX30.96 EY19 EB8 P2 Q6 I0.5 J0.5 EP83 EQ259 EI52 EJ165
N240 G0 G52 Z0 M5 M9
N250 M2

CNC Machine

  1. CNC Milling Example: Mastering the G81 Drilling Canned Cycle
  2. Master G82 Drilling Cycle with Dwell – CNC Milling Example Program
  3. Comprehensive CNC Program: G81 Drilling & G84 Tapping Cycles Demonstrated
  4. CNC Milling Program: Advanced G81‑G85 Drill Cycles for Precision Machining
  5. CNC Pocket Milling Example: Peck Milling Tutorial
  6. Haas G150 Pocket Milling Example: CNC Program for a Square Pocket with Island
  7. Haas G150 Pocket Milling Example: Precision Round Island Machining
  8. Detailed CNC Lathe Programming: G64, G65, G87 Cycles with Multi-Tool Operations
  9. NUM CNC Mill Program: Outer Contour Cutting with Through Drilling & Counterbore
  10. NUM 760 CNC Lathe: Contour Turning & Grooving – Full G-Code Example