Industrial manufacturing
Industrial Internet of Things | Industrial materials | Equipment Maintenance and Repair | Industrial programming |
home  MfgRobots >> Industrial manufacturing >  >> Manufacturing Equipment >> CNC Machine

Optimized Island Clearance with Heidenhain Conversational Programming

Submit by: Vikram

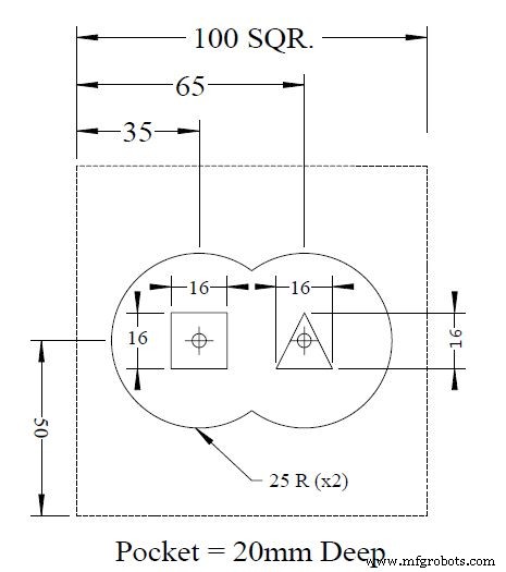
Drawing/Image

Optimized Island Clearance with Heidenhain Conversational Programming

CNC Program

0 BEGIN PGM 10120 MM
1 BLK FORM 0.1 Z X+0 Y+0 Z-40
2 BLK FORM 0.2 X+100 Y+100 Z+0
3 TOOL DEF 1
4 TOOL DEF 2
5 TOOL DEF 3
6 CYCL DEF 14.0 CONTOUR GEOM.
7 CYCL DEF 14.1 CONTOUR LABEL 1/2/3/4/ / /
8 TOOL CALL 1 Z S500
9 L M6
10 CYCL DEF 15.0 PILOT DRILL
11 CYCL DEF 15.1 SET UP -2 DEPTH -20
12 CYCL DEF 15.2 PECKG -10 F50 ALLOW +1
13 L X+0 Y+0 R0 FMAX M13
14 L Z+2 FMAX M99
15 TOOL CALL 2 Z S1000
16 L M6
17 CYCL DEF 6.0 ROUGH OUT
18 CYCL DEF 6.1 SET UP -2 DEPTH -20
19 CYCL DEF 6.2 PECKG -10 F50 ALLOW +1
20 CYCL DEF 6.3 ANGLE +45 F200
21 L X+0 Y+0 R0 FMAX M13
22 L Z+2 FMAX
23 CYCL CALL M
24 TOOL CALL 3 Z S1000
25 L M6
26 CYCL DEF 16.0 CONTOUR MILLG
27 CYCL DEF 16.1 SET UP -2 DEPTH -20
28 CYCL DEF 16.2 PECKG -20 F50 DR+ F200
29 L X+0 Y+0 R0 FMAX M3
30 L Z+2 FMAX
31 CYCL CALL M
32 TOOL CALL 0
33 L M6
34 L M30
35 LBL 1
36 L X+35 Y+25 RL F M
37 CC X+35 Y+50
38 C X+35 Y+25 DR+
39 LBL 0
40 LBL 2
41 L X+65 Y+25 RL
42 CC X+65 Y+50
43 C X+65 Y+25 DR+
44 LBL 0
45 LBL 3
46 L X+35 Y+42 RL
47 L X+27
48 L Y+58
49 L X+43
50 L Y+42
51 L X+35
52 LBL 0
53 LBL 4
54 L X+65 Y+42 RL
55 L X+57
56 L X+65 Y+58
57 L X+73 Y+42
58 L X+65
59 LBL 0
60 END PGM 10120 MM

CNC Machine

  1. Master Helical Milling with Heidenhain Conversational Programming: A Practical Exercise
  2. Master Nesting Labels in Heidenhain Conversational Programming – Step-by-Step Exercise
  3. Heidenhain Conversational Programming: Practical Sub-Program Exercise Guide
  4. Mastering Repeat Functions in Heidenhain Conversational Programming
  5. Expert Rotation Techniques for Heidenhain CNC Programming
  6. Heidenhain CNC Programming: Circular Pattern (Cycle 220) Tutorial
  7. Multipass Milling Exercise: Master Heidenhain Conversational Programming
  8. Master Contour Train Operations in Heidenhain Conversational Programming
  9. Heidenhain Pocket Milling Exercise: Step‑by‑Step Conversational Programming
  10. Mastering Heidenhain Drilling Cycle Programming: A Practical Exercise