Control Your Ceiling Fan with Alexa: A Step-by-Step Guide
Components and supplies
![]() |
| × | 1 | |||
![]() |
| × | 1 | |||
| × | 1 | ||||
| × | 1 |
Necessary tools and machines
![]() |
|
Apps and online services
![]() |
| |||
![]() |
| |||
|
About this project
I will be detailing here on how I made my regular ceiling fan a smart one by integrating Amazon Alexa for speed control of the same. We will be using amazon alexa skill set to initiate the speed change, and will be ngrok tunneling service to route the request to our locally housed RPi server, which will tell our Arduino uno to turn on the related relay.

we need the following services to make use for our server.
- Python PIP : to install python packages, if you are using python 2.7 or 3 pip will be intalled by default, hence you can avoid this step
sudo apt-get install python-pip
- Flask : Flask is a sever package for python which will help you to implement python servers easily.
pip install flask
- flask ask : a flask extention used to create alexa frendly programs easily.
pip install flask-ask
- pyserial : serial communication module for python
sudo apt-get install pyserial
- libpython2.7-dev
sudo apt-get intall libpython2.7-dev
all necessary modules are installed its time to set the server running. we need to enter the python script for the same
from flask import Flask
from flask_ask import Ask, statement
import requests
import json
import serial ser = serial.Serial("/dev/ttyAMA0",9600)
app = Flask(__name__)
ask = Ask(app, '/')
@ask.launch
@ask.intent("FanOn")
def on():
ser.write(b'1')
return statement("Ceiling Fan turned on.")
@ask.intent("FanOff")
def off():
ser.write(b'0')
return statement("Ceiling Fan turned off.")
@ask.intent("FanLevelUp")
def up():
ser.write(b'+')
return statement("Ceiling Fan speed up.")
@ask.intent("FanLevelDown")
def down():
ser.write(b'-')
return statement("Ceiling Fan speed down.")
if __name__ == "__main__":
app.run(debug=True)
Run this python script, and enlist this script to the auto start list of your RPi.
3. Download Ngrok
Ngrok is secure tunneling platform to make your device online. With this platform you can make your web application or any application goes online with a very simple way. For download go to official site and download for ARM.
https://ngrok.com/
Unzip it and go to directory where you extract it. Run it using command
./ngrok http 5000
Alexa SkillGo to amazon developer page and sign up for your developer account
https://developer.amazon.com/
Enter the developer console after sign in and now enter select "Alexa skill kit"

now select "Add new skill"

Enter the name for your skill, and enter an invocation name,. ensure your invocation name meet the necessary conditions

save and proceed to next step
here enter the intents for invocation of the skill, and utternce examples, ie the word combinations to be initiate each intent.
intents are as follows
{
"intents": [
{
"intent": "FanOn"
},
{
"intent": "FanOff"
},
{
"intent": "FanLevelUp"
},
{
"intent": "FanLevelDown"
}
]
}
sample utterances
FanOn say fan on
FanOn say on
FanOff say off
FanOff say fan off
FanLevelUp say fan level up
FanLevelUp say increase fan speed
FanLevelDown say fan level down
FanLevelDown say decrease fan speed


Save and proceed to the next stage. here you will have to enter the location to which you are expected to send the data once an intend is invoked.
since we are using ngrok, select HTTPS, and enter the secure link is generated in ngrok serve, save it and proceed to next step
choose second option for SSL Certificate, and proceed
To check whether our setup is working or not . Make sure your ngrok server is working and Python script also running otherwise it will not work.
we can see that servers are getting request and updating it.
Arduino Code
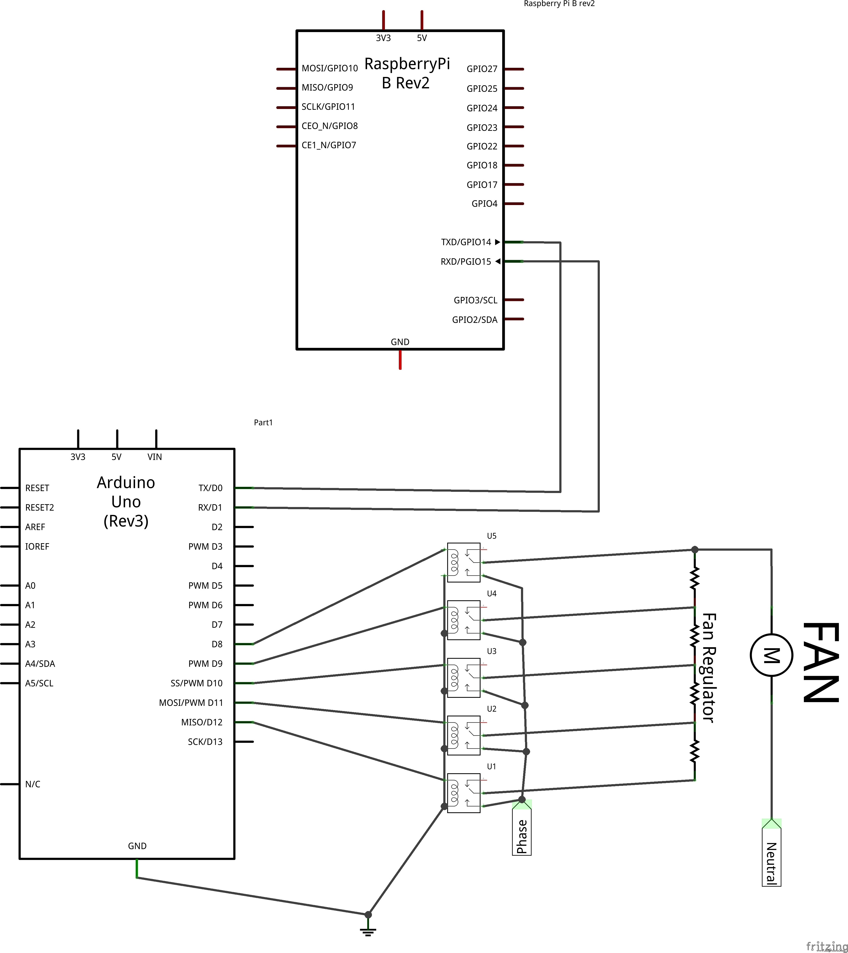
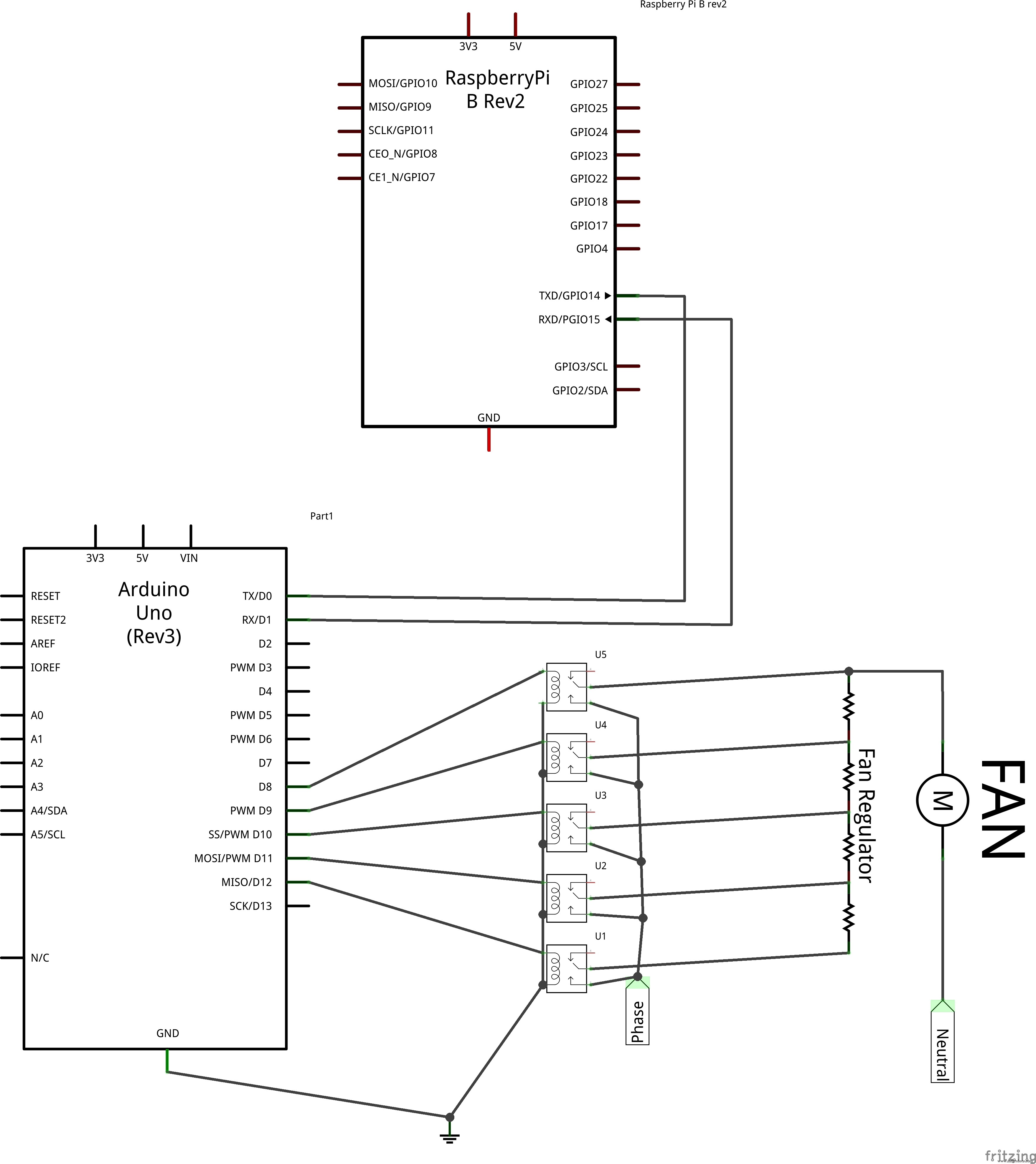
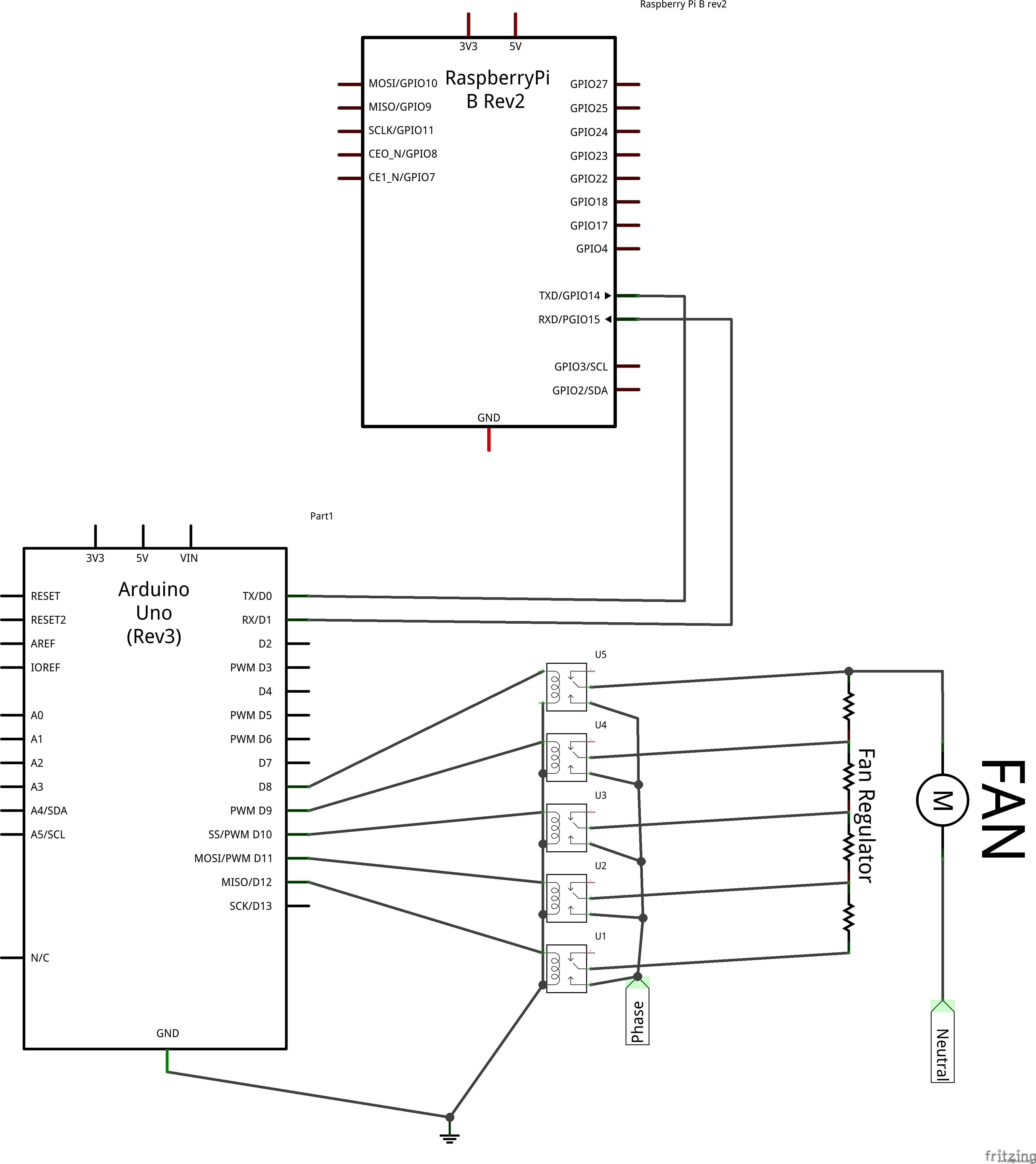
upload the attached sketch your arduino and connect it to raspberry pi as explained in the schematic.
int Fan[] = {13,12,11,10,9,8};
int n=0;
void reset();
void set(char);
void setup() {
// put your setup code here, to run once:
for(int i=0;i<6;i++)
{
pinMode(Fan[i], OUTPUT);
}
Serial.begin(9600);
}
void loop() {
char x;
if (Serial.available())
{
x=Serial.read();
reset();
set(x);
}
}
void reset()
{
for(int i=0;i<6;i++)
{
digitalWrite(Fan[i], LOW);
}
}
void set(char x)
{
switch (x)
{
case '1':
n=1;
break;
case '+':
n++;
break;
case '-':
n--;
break;
case '0':
n=0;
break;
}
digitalWrite(Fan[n],HIGH);
}
Hardwareconnect the hardware as shown in the schematic

Happy making. make any other appliance voice activated in similar way :)
Code
- arduino sketch
- Python Server code
arduino sketchArduino
upload this code to your arduino and connect it to you raspberry pi serverint Fan[] = {13,12,11,10,9,8};
int n=0;
void reset();
void set(char);
void setup() {
// put your setup code here, to run once:
for(int i=0;i<6;i++)
{
pinMode(Fan[i], OUTPUT);
}
Serial.begin(9600);
}
void loop() {
char x;
if (Serial.available())
{
x=Serial.read();
reset();
set(x);
}
}
void reset()
{
for(int i=0;i<6;i++)
{
digitalWrite(Fan[i], LOW);
}
}
void set(char x)
{
switch (x)
{
case '1':
n=1;
break;
case '+':
n++;
break;
case '-':
n--;
break;
case '0':
n=0;
break;
}
digitalWrite(Fan[n],HIGH);
}
Python Server codePython
un this code in your spython after ngrok is setup so as to receive datafrom flask import Flask
from flask_ask import Ask, statement
import requests
import json
import serial ser = serial.Serial("/dev/ttyAMA0",9600)
app = Flask(__name__)
ask = Ask(app, '/')
@ask.launch
@ask.intent("FanOn")
def on():
ser.write(b'1')
return statement("Ceiling Fan turned on.")
@ask.intent("FanOff")
def off():
ser.write(b'0')
return statement("Ceiling Fan turned off.")
@ask.intent("FanLevelUp")
def up():
ser.write(b'+')
return statement("Ceiling Fan speed up.")
@ask.intent("FanLevelDown")
def down():
ser.write(b'-')
return statement("Ceiling Fan speed down.")
if __name__ == "__main__":
app.run(debug=True)
Schematics
this is how you connect the devices together
Manufacturing process
- Build a Smart Piggy Bank: Control a Coin Acceptor with Arduino Nano
- Arduino Power Control Center: N-FET, P-FET, Relay & RTC Kit
- DIY Arduino Humidifier Controller with Relay – Safe High‑Voltage Setup
- Control Your TV with Alexa via Arduino IoT Cloud – Step‑by‑Step Guide
- ThimbleKrox: Finger-Mounted Mouse Control Using Arduino Micro & MPU-6050
- Seamless Smart Phone Control of Home Lighting Systems
- Control Your TV with Alexa: Arduino & ESP8266 Setup
- Control 65,280 Relays with Arduino: Expandable IO & Relay Solutions
- 25 kHz 4‑Pin PWM Fan Control Using Arduino Uno – Build, Code & Test
- Arduino Relay Tutorial: Safely Control High‑Voltage Devices




