Industrial manufacturing
Industrial Internet of Things | Industrial materials | Equipment Maintenance and Repair | Industrial programming |
home  MfgRobots >> Industrial manufacturing >  >> Manufacturing Technology >> Manufacturing process

Arduino Real-Time Clock LED Clock: Build a Reliable Time Display

Components and supplies

Arduino Real-Time Clock LED Clock: Build a Reliable Time Display
Arduino UNO
×1
Arduino Real-Time Clock LED Clock: Build a Reliable Time Display
Real Time Clock (RTC)
×1
Arduino Real-Time Clock LED Clock: Build a Reliable Time Display
Resistor 1k ohm
×15
Arduino Real-Time Clock LED Clock: Build a Reliable Time Display
Through Hole Resistor, 120 ohm
×15
Arduino Real-Time Clock LED Clock: Build a Reliable Time Display
Linear Regulator (7805)
×1
Arduino Real-Time Clock LED Clock: Build a Reliable Time Display
Capacitor 22 pF
×1
Arduino Real-Time Clock LED Clock: Build a Reliable Time Display
16 MHz Crystal
×1
Arduino Real-Time Clock LED Clock: Build a Reliable Time Display
Capacitor 10 µF
×1
Arduino Real-Time Clock LED Clock: Build a Reliable Time Display
Coin Cell Battery CR2032
×1
Arduino Real-Time Clock LED Clock: Build a Reliable Time Display
Battery Holder, Lithium CR2032
×1
Arduino Real-Time Clock LED Clock: Build a Reliable Time Display
5 mm LED: Green
×190
Arduino Real-Time Clock LED Clock: Build a Reliable Time Display
Bipolar - RF Transistor, NPN
×10
Arduino Real-Time Clock LED Clock: Build a Reliable Time Display
General Purpose Transistor PNP
×12
Arduino Real-Time Clock LED Clock: Build a Reliable Time Display
Tactile Switch, Top Actuated
×4
Arduino Real-Time Clock LED Clock: Build a Reliable Time Display
Digilent 60W PCIe 12V 5A Power Supply
×1

Necessary tools and machines

Arduino Real-Time Clock LED Clock: Build a Reliable Time Display
Soldering iron (generic)
Arduino Real-Time Clock LED Clock: Build a Reliable Time Display
Solder Wire, Lead Free
Arduino Real-Time Clock LED Clock: Build a Reliable Time Display
Digilent Mastech MS8217 Autorange Digital Multimeter

About this project

First You have to download following libraries(link is given end of this page)1. Wire.h

2. RTClib.hParts List

Arduino Real-Time Clock LED Clock: Build a Reliable Time Display

Watch the video

This is the RTC clock Module

Arduino Real-Time Clock LED Clock: Build a Reliable Time Display

This is the Arduino Circuit

Arduino Real-Time Clock LED Clock: Build a Reliable Time Display

RTC Wiring Connections

Arduino Real-Time Clock LED Clock: Build a Reliable Time Display

RTC Switches

Arduino Real-Time Clock LED Clock: Build a Reliable Time Display

Identify Anode and Cathode

Arduino Real-Time Clock LED Clock: Build a Reliable Time Display

Circuit Diagram (COMMON ANODE)

Arduino Real-Time Clock LED Clock: Build a Reliable Time Display
Arduino Real-Time Clock LED Clock: Build a Reliable Time Display
Arduino Real-Time Clock LED Clock: Build a Reliable Time Display

Arduino Real-Time Clock LED Clock: Build a Reliable Time Display

IF YOU USE COMMON CATHODE LED DO THE CHANGES AS FOLLOWS

Arduino Real-Time Clock LED Clock: Build a Reliable Time Display
Arduino Real-Time Clock LED Clock: Build a Reliable Time Display
Arduino Real-Time Clock LED Clock: Build a Reliable Time Display
Arduino Real-Time Clock LED Clock: Build a Reliable Time Display

Arduino Real-Time Clock LED Clock: Build a Reliable Time Display

POWER SUPPLY

Arduino Real-Time Clock LED Clock: Build a Reliable Time Display

Arduino Real-Time Clock LED Clock: Build a Reliable Time Display

Arduino Real-Time Clock LED Clock: Build a Reliable Time Display

Arduino Real-Time Clock LED Clock: Build a Reliable Time Display

Arduino Real-Time Clock LED Clock: Build a Reliable Time Display

Arduino Real-Time Clock LED Clock: Build a Reliable Time Display

Arduino Real-Time Clock LED Clock: Build a Reliable Time Display

Arduino Real-Time Clock LED Clock: Build a Reliable Time Display
Arduino Real-Time Clock LED Clock: Build a Reliable Time Display
Arduino Real-Time Clock LED Clock: Build a Reliable Time Display
Arduino Real-Time Clock LED Clock: Build a Reliable Time Display
Arduino Real-Time Clock LED Clock: Build a Reliable Time Display

Code

  • LED clock CODEs
LED clock CODEsArduino
Download this code and upload to the project
/*
 4 digit 7 segment display: http://www.sparkfun.com/products/9483
 Datasheet: http://www.sparkfun.com/datasheets/Components/LED/7-Segment/YSD-439AR6B-35.pdf
  */
// modified connexion by niq_ro from http://nicuflorica.blogspot.com
// dataseet: http://www.tme.eu/ro/Document/dfc2efde2e22005fd28615e298ea2655/KW4-563XSA.pdf
// Code modified by BMIAK Basnayaka
// http://www.setnfix.com

int digit1 = 11; 
int digit2 = 10;
int digit3 = 9; 
int digit4 = 6;
int digit5 = 5; 
int digit6 = 3; 

//Pin mapping from Arduino to the ATmega DIP28 if you need it
//http://www.arduino.cc/en/Hacking/PinMapping
int segA = 0; //Display pin 11
int segB = 1; //Display pin 7
int segC = 2; //Display pin 4
int segD = 4; //Display pin 2
int segE = 7; //Display pin 1
int segF = 8; //Display pin 10
int segG = 12; //Display pin 5
int segDP =13; // Display pin 3



#include <Wire.h>
#include "RTClib.h"
RTC_DS1307 RTC;

// Date and time functions using a DS1307 RTC connected via I2C and Wire lib
// original sketck from http://learn.adafruit.com/ds1307-real-time-clock-breakout-board-kit/
// add part with SQW=1Hz from http://tronixstuff.wordpress.com/2010/10/20/tutorial-arduino-and-the-i2c-bus/
// add part with manual adjust http://www.bristolwatch.com/arduino/arduino_ds1307.htm



byte SW0 = A0;
byte SW1 = A2;
byte SW2 = A1;
byte SWT = A3;
int Adhr=0;
int Admnt=0;
int D = 0;
int Z =0;

// use for hexa in zecimal conversion
long zh, uh, ore;
long zm, um, miniti;

void setup() {
  
 //Serial.begin(57600);
  Wire.begin();
  RTC.begin();
 // RTC.adjust(DateTime(F(__DATE__), F(__TIME__)));
// if you need set clock... just remove // from line above this

// part code for flashing LED
Wire.beginTransmission(0x68);
Wire.write(0x07); // move pointer to SQW address
// Wire.write(0x00); // turns the SQW pin off
 Wire.write(0x10); // sends 0x10 (hex) 00010000 (binary) to control register - turns on square wave at 1Hz
// Wire.write(0x13); // sends 0x13 (hex) 00010011 (binary) 32kHz

Wire.endTransmission();
  
  
  pinMode(segA, OUTPUT);
  pinMode(segB, OUTPUT);
  pinMode(segC, OUTPUT);
  pinMode(segD, OUTPUT);
  pinMode(segE, OUTPUT);
  pinMode(segF, OUTPUT);
  pinMode(segG, OUTPUT);
  pinMode(segDP, OUTPUT);

  pinMode(digit1, OUTPUT);
  pinMode(digit2, OUTPUT);
  pinMode(digit3, OUTPUT);
  pinMode(digit4, OUTPUT);
  pinMode(digit5, OUTPUT);
  pinMode(digit6, OUTPUT);


//Serial.begin(9600);

pinMode(SW0, INPUT);  // N.O. push button switch
pinMode(SW1, INPUT);  // N.O. push button switch
pinMode(SW2, INPUT);  // N.O. push button switch
pinMode(SWT, INPUT);  // N.O. push button switch

digitalWrite(SW0, HIGH); // pull-ups on
digitalWrite(SW1, HIGH);
digitalWrite(SW2, HIGH);
digitalWrite(segDP, LOW);


}


void loop() {

  DateTime now = RTC.now();
  long HR = now.hour()*1000;
  long timp = (HR*10)+now.minute()*100+now.second();
  Adhr = now.hour();
  Admnt=now.minute();



int DIM = 0;
if (timp >=250000)
timp=timp-240000;
//------------------------------------------------------
//12/24 hours shitching 
//------------------------------------------------------
if (timp < 130000){
digitalWrite(segDP, LOW);}


if (digitalRead(SWT)==0){delay(300);
 if (D == 0) {
 D =1;delay(200);}
 
else{
D =0;}
}




if (D == 0){  
if (timp>=130000){
timp=timp-120000;
digitalWrite(segDP, HIGH);}
}

if (timp>=130000){ 
digitalWrite(segDP, LOW);
}

if ((D==1)& (timp <130000))
digitalWrite(segDP, LOW);





//------------------------------------------------------


  



//int timp = (now.minute(), DEC);
//   displayNumber(12); // this is number to diplay


     
    for(int i = 100 ; i >0  ; i--) {
     if (timp >= 100000) displayNumber01(timp); 
     else displayNumber02(timp); 
   } 

   for(int i = 100 ; i >0  ; i--) {
     if (timp >= 100000) displayNumber03(timp); 
     else displayNumber04(timp); 
   } 

   for(int i = 100 ; i >0  ; i--) {
     if (timp >= 100000) displayNumber05(timp); 
     else displayNumber06(timp); 
   } 


  

if (digitalRead(SW0)==0){delay(100);Z=1;  set_time(); }// hold the switch to set time
}

void set_time()   {
  byte minutes1 = 0;
  byte hours1 = 0;
  byte minutes = 0;
  byte hours = 0;
  hours=Adhr;
  minutes=Admnt;


    if ((hours & 0x0f) > 9) hours =  hours + 6;
      if (hours > 0x24) hours = 1; // Mid night 12.00 will show as 12:00 (With PM LED on) or 24:00
        //if (hours > 0x24) hours = 1; // Mid night 12.00 will show as 0:00
        if ((minutes & 0x0f) > 9) minutes = minutes + 6;
      if (minutes > 0x59) minutes = 0;
      
while (!(Z==0)){ // set time switch must be released to exit


 


    
   int TST = digitalRead(SW2);
    while (TST==0) // set hours
    { 
     hours++;          
     
   // converting hexa in zecimal:
    zh = hours / 16;
    uh = hours - 16 * zh ;
    ore = 10 * zh + uh; 
    zm = minutes / 16;
    um = minutes - 16 * zm ;
    miniti = 10 * zm + um; 
    
   
   
      
      if ((hours & 0x0f) > 9) hours =  hours + 6;
            if (hours > 0x24) hours = 1; // Mid night 12.00 will show as 12:00 (With PM LED on) or 24:00
        //if (hours > 0x24) hours = 1; // Mid night 12.00 will show as 0:00
        if (hours <= 9) 
    delay(1);
    
      for(int i = 400 ; i >0  ; i--) {
     displayNumber01(ore*10000+miniti*100); 
     }
    
    TST = digitalRead(SW2);
    }

   while (!(digitalRead(SW1))) // set minutes
    { 
     minutes++;  
   // converting hexa in zecimal:
    zh = hours / 16;
    uh = hours - 16 * zh ;
    ore = 10 * zh + uh; 
    zm = minutes / 16;
    um = minutes - 16 * zm ;
    miniti = 10 * zm + um; 
    
     for(int i = 400 ; i >0  ; i--) {
     displayNumber01(ore*10000+miniti*100); 
     }

      if ((minutes & 0x0f) > 9) minutes = minutes + 6;
      if (minutes > 0x59) minutes = 0;
      if (minutes >= 9) 
    delay(1);    
    }

    Wire.beginTransmission(0x68); // activate DS1307
    Wire.write(0); // where to begin
    Wire.write(0x00);          //seconds
    Wire.write(minutes);          //minutes
    Wire.write(0x80 | hours);    //hours (24hr time)
    Wire.write(0x06);  // Day 01-07
    Wire.write(0x01);  // Date 0-31
    Wire.write(0x05);  // month 0-12
    Wire.write(0x09);  // Year 00-99
    Wire.write(0x10); // Control 0x10 produces a 1 HZ square wave on pin 7. 
    Wire.endTransmission();
  
    // converting hexa in zecimal:
    zh = hours / 16;
    uh = hours - 16 * zh ;
    ore = 10 * zh + uh; 
    zm = minutes / 16;
    um = minutes - 16 * zm ;
    miniti = 10 * zm + um; 

 
    
    for(int i = 400 ; i >0  ; i--) {
     displayNumber01(ore*10000+miniti*100); 
     }
delay(100); 
//Serial.print(digitalRead(SW0));
if (digitalRead(SW0)==0) Z = 0;
 delay(300);   
  }
//Serial.print(SW2);
}



void displayNumber01(long toDisplay) {
#define DISPLAY_BRIGHTNESS  25

#define DIGIT_ON  HIGH
#define DIGIT_OFF  LOW

  for(int digit = 6 ; digit > 0 ; digit--) {

    //Turn on a digit for a short amount of time
    switch(digit) {
    case 1:
     digitalWrite(digit1, DIGIT_ON);
     
      break;
   case 2:
      digitalWrite(digit2, DIGIT_ON);
      //digitalWrite(segDP, LOW);
      break;
    case 3:
      digitalWrite(digit3, DIGIT_ON);
      
      break;
    case 4:
      digitalWrite(digit4, DIGIT_ON);
      
      break;
    case 5:
      digitalWrite(digit5, DIGIT_ON);
      
      break;
    case 6:
      digitalWrite(digit6, DIGIT_ON);
      
      break;
      
    }
    lightNumber(toDisplay % 10);
    toDisplay /= 10;
    delayMicroseconds(DISPLAY_BRIGHTNESS); 


     //Turn off all segments
    lightNumber(10); 

    //Turn off all digits
    digitalWrite(digit1, DIGIT_OFF);
    digitalWrite(digit2, DIGIT_OFF);
    digitalWrite(digit3, DIGIT_OFF);
    digitalWrite(digit4, DIGIT_OFF);
    digitalWrite(digit5, DIGIT_OFF);
    digitalWrite(digit6, DIGIT_OFF);
}
} 

void displayNumber02(long toDisplay) {
#define DISPLAY_BRIGHTNESS  25

#define DIGIT_ON  HIGH
#define DIGIT_OFF  LOW

  for(int digit = 6 ; digit > 0 ; digit--) {

    //Turn on a digit for a short amount of time
    switch(digit) {
    case 1:
     lightNumber(10); 
     
     break;
   case 2:
      digitalWrite(digit2, DIGIT_ON);
      //digitalWrite(segDP, LOW);
      break;
    case 3:
      digitalWrite(digit3, DIGIT_ON);
      
      break;
    case 4:
      digitalWrite(digit4, DIGIT_ON);
      
      break;
     case 5:
      digitalWrite(digit5, DIGIT_ON);
      
      break;
    case 6:
      digitalWrite(digit6, DIGIT_ON);
      
      break;
    }
    lightNumber(toDisplay % 10);
    toDisplay /= 10;
    delayMicroseconds(DISPLAY_BRIGHTNESS); 

     //Turn off all segments
    lightNumber(10); 

    //Turn off all digits
    digitalWrite(digit1, DIGIT_OFF);
    digitalWrite(digit2, DIGIT_OFF);
    digitalWrite(digit3, DIGIT_OFF);
    digitalWrite(digit4, DIGIT_OFF);
    digitalWrite(digit5, DIGIT_OFF);
    digitalWrite(digit6, DIGIT_OFF);
}
} 

void displayNumber03(long toDisplay) {
#define DISPLAY_BRIGHTNESS  25

#define DIGIT_ON  HIGH
#define DIGIT_OFF  LOW

  for(int digit = 6 ; digit > 0 ; digit--) {

    //Turn on a digit for a short amount of time
    switch(digit) {
    case 1:
     digitalWrite(digit1, DIGIT_ON);
     
      break;
   case 2:
      digitalWrite(digit2, DIGIT_ON);
      
      break;
    case 3:
      digitalWrite(digit3, DIGIT_ON);
      
      break;
    case 4:
      digitalWrite(digit4, DIGIT_ON);
      
      break;
    case 5:
      digitalWrite(digit5, DIGIT_ON);
      
      break;
    case 6:
      digitalWrite(digit6, DIGIT_ON);
      
      break;
    }
    lightNumber(toDisplay % 10);
    toDisplay /= 10;
    delayMicroseconds(DISPLAY_BRIGHTNESS); 

     //Turn off all segments
    lightNumber(10); 

    //Turn off all digits
    digitalWrite(digit1, DIGIT_OFF);
    digitalWrite(digit2, DIGIT_OFF);
    digitalWrite(digit3, DIGIT_OFF);
    digitalWrite(digit4, DIGIT_OFF);
    digitalWrite(digit5, DIGIT_OFF);
    digitalWrite(digit6, DIGIT_OFF);
}
} 

void displayNumber04(long toDisplay) {
#define DISPLAY_BRIGHTNESS  25

#define DIGIT_ON  HIGH
#define DIGIT_OFF  LOW

  for(int digit = 6 ; digit > 0 ; digit--) {

    //Turn on a digit for a short amount of time
    switch(digit) {
    case 1:
     lightNumber(10); 
     
     break;
   case 2:
      digitalWrite(digit2, DIGIT_ON);
      
      break;
    case 3:
      digitalWrite(digit3, DIGIT_ON);
      
      break;
    case 4:
      digitalWrite(digit4, DIGIT_ON);
      
      break;
    case 5:
      digitalWrite(digit5, DIGIT_ON);
      
      break;
    case 6:
      digitalWrite(digit6, DIGIT_ON);
      
      break;
    }
    lightNumber(toDisplay % 10);
    toDisplay /= 10;
    delayMicroseconds(DISPLAY_BRIGHTNESS); 

     //Turn off all segments
    lightNumber(10); 

    //Turn off all digits
    digitalWrite(digit1, DIGIT_OFF);
    digitalWrite(digit2, DIGIT_OFF);
    digitalWrite(digit3, DIGIT_OFF);
    digitalWrite(digit4, DIGIT_OFF);
    digitalWrite(digit5, DIGIT_OFF);
    digitalWrite(digit6, DIGIT_OFF);
}
} 

void displayNumber05(long toDisplay) {
#define DISPLAY_BRIGHTNESS  25

#define DIGIT_ON  HIGH
#define DIGIT_OFF  LOW

  for(int digit = 6 ; digit > 0 ; digit--) {

    //Turn on a digit for a short amount of time
    switch(digit) {
    case 1:
     digitalWrite(digit1, DIGIT_ON);
     
      break;
   case 2:
      digitalWrite(digit2, DIGIT_ON);
      
      break;
    case 3:
      digitalWrite(digit3, DIGIT_ON);
      
      break;
    case 4:
      digitalWrite(digit4, DIGIT_ON);
      
      break;
    case 5:
      digitalWrite(digit5, DIGIT_ON);
      
      break;
    case 6:
      digitalWrite(digit6, DIGIT_ON);
      
      break;
    }
    lightNumber(toDisplay % 10);
    toDisplay /= 10;
    delayMicroseconds(DISPLAY_BRIGHTNESS); 

     //Turn off all segments
    lightNumber(10); 

    //Turn off all digits
    digitalWrite(digit1, DIGIT_OFF);
    digitalWrite(digit2, DIGIT_OFF);
    digitalWrite(digit3, DIGIT_OFF);
    digitalWrite(digit4, DIGIT_OFF);
    digitalWrite(digit5, DIGIT_OFF);
    digitalWrite(digit6, DIGIT_OFF);
}
} 

void displayNumber06(long toDisplay) {
#define DISPLAY_BRIGHTNESS  25

#define DIGIT_ON  HIGH
#define DIGIT_OFF  LOW

  for(int digit = 6 ; digit > 0 ; digit--) {

    //Turn on a digit for a short amount of time
    switch(digit) {
    case 1:
     //digitalWrite(digit1, DIGIT_ON);
     
      break;
   case 2:
      digitalWrite(digit2, DIGIT_ON);
      
      break;
    case 3:
      digitalWrite(digit3, DIGIT_ON);
      
      break;
    case 4:
      digitalWrite(digit4, DIGIT_ON);
      
      break;
    case 5:
      digitalWrite(digit5, DIGIT_ON);
      
      break;
    case 6:
      digitalWrite(digit6, DIGIT_ON);
      
      break;
    }
    lightNumber(toDisplay % 10);
    toDisplay /= 10;
    delayMicroseconds(DISPLAY_BRIGHTNESS); 

     //Turn off all segments
    lightNumber(10); 

    //Turn off all digits
    digitalWrite(digit1, DIGIT_OFF);
    digitalWrite(digit2, DIGIT_OFF);
    digitalWrite(digit3, DIGIT_OFF);
    digitalWrite(digit4, DIGIT_OFF);
    digitalWrite(digit5, DIGIT_OFF);
    digitalWrite(digit6, DIGIT_OFF);
}
} 
//Given a number, turns on those segments
//If number == 10, then turn off number
void lightNumber(int numberToDisplay) {

//Common Anode *************************
#define SEGMENT_ON  HIGH
#define SEGMENT_OFF LOW

/* Common Cathode *****************
  #define SEGMENT_ON  LOW
  #define SEGMENT_OFF HIGH
*/

  switch (numberToDisplay){

  case 0:
    digitalWrite(segA, SEGMENT_ON);
    digitalWrite(segB, SEGMENT_ON);
    digitalWrite(segC, SEGMENT_ON);
    digitalWrite(segD, SEGMENT_ON);
    digitalWrite(segE, SEGMENT_ON);
    digitalWrite(segF, SEGMENT_ON);
    digitalWrite(segG, SEGMENT_OFF);
    break;

  case 1:
    digitalWrite(segA, SEGMENT_OFF);
    digitalWrite(segB, SEGMENT_ON);
    digitalWrite(segC, SEGMENT_ON);
    digitalWrite(segD, SEGMENT_OFF);
    digitalWrite(segE, SEGMENT_OFF);
    digitalWrite(segF, SEGMENT_OFF);
    digitalWrite(segG, SEGMENT_OFF);
    break;

  case 2:
    digitalWrite(segA, SEGMENT_ON);
    digitalWrite(segB, SEGMENT_ON);
    digitalWrite(segC, SEGMENT_OFF);
    digitalWrite(segD, SEGMENT_ON);
    digitalWrite(segE, SEGMENT_ON);
    digitalWrite(segF, SEGMENT_OFF);
    digitalWrite(segG, SEGMENT_ON);
    break;

  case 3:
    digitalWrite(segA, SEGMENT_ON);
    digitalWrite(segB, SEGMENT_ON);
    digitalWrite(segC, SEGMENT_ON);
    digitalWrite(segD, SEGMENT_ON);
    digitalWrite(segE, SEGMENT_OFF);
    digitalWrite(segF, SEGMENT_OFF);
    digitalWrite(segG, SEGMENT_ON);
    break;

  case 4:
    digitalWrite(segA, SEGMENT_OFF);
    digitalWrite(segB, SEGMENT_ON);
    digitalWrite(segC, SEGMENT_ON);
    digitalWrite(segD, SEGMENT_OFF);
    digitalWrite(segE, SEGMENT_OFF);
    digitalWrite(segF, SEGMENT_ON);
    digitalWrite(segG, SEGMENT_ON);
    break;

  case 5:
    digitalWrite(segA, SEGMENT_ON);
    digitalWrite(segB, SEGMENT_OFF);
    digitalWrite(segC, SEGMENT_ON);
    digitalWrite(segD, SEGMENT_ON);
    digitalWrite(segE, SEGMENT_OFF);
    digitalWrite(segF, SEGMENT_ON);
    digitalWrite(segG, SEGMENT_ON);
    break;

  case 6:
    digitalWrite(segA, SEGMENT_ON);
    digitalWrite(segB, SEGMENT_OFF);
    digitalWrite(segC, SEGMENT_ON);
    digitalWrite(segD, SEGMENT_ON);
    digitalWrite(segE, SEGMENT_ON);
    digitalWrite(segF, SEGMENT_ON);
    digitalWrite(segG, SEGMENT_ON);
    break;

  case 7:
    digitalWrite(segA, SEGMENT_ON);
    digitalWrite(segB, SEGMENT_ON);
    digitalWrite(segC, SEGMENT_ON);
    digitalWrite(segD, SEGMENT_OFF);
    digitalWrite(segE, SEGMENT_OFF);
    digitalWrite(segF, SEGMENT_OFF);
    digitalWrite(segG, SEGMENT_OFF);
    break;

  case 8:
    digitalWrite(segA, SEGMENT_ON);
    digitalWrite(segB, SEGMENT_ON);
    digitalWrite(segC, SEGMENT_ON);
    digitalWrite(segD, SEGMENT_ON);
    digitalWrite(segE, SEGMENT_ON);
    digitalWrite(segF, SEGMENT_ON);
    digitalWrite(segG, SEGMENT_ON);
    break;

  case 9:
    digitalWrite(segA, SEGMENT_ON);
    digitalWrite(segB, SEGMENT_ON);
    digitalWrite(segC, SEGMENT_ON);
    digitalWrite(segD, SEGMENT_ON);
    digitalWrite(segE, SEGMENT_OFF);
    digitalWrite(segF, SEGMENT_ON);
    digitalWrite(segG, SEGMENT_ON);
    break;

  // all segment are ON
  case 10:
    digitalWrite(segA, SEGMENT_OFF);
    digitalWrite(segB, SEGMENT_OFF);
    digitalWrite(segC, SEGMENT_OFF);
    digitalWrite(segD, SEGMENT_OFF);
    digitalWrite(segE, SEGMENT_OFF);
    digitalWrite(segF, SEGMENT_OFF);
    digitalWrite(segG, SEGMENT_OFF);
    break;
  
  }
// End of the coding, BUDHUSARANAI, Best of luck.
  
}

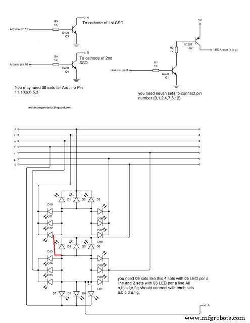
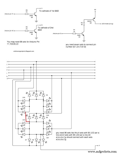
Schematics

This is the wiring of SSD with LEDArduino Real-Time Clock LED Clock: Build a Reliable Time Display

Manufacturing process

  1. Build a Custom LED Master Clock with Alarm – Viewable from 12 Meters
  2. Build an Italian Word Clock with Arduino Nano, NeoPixel, LCD, and RTC
  3. Build a Smart Arduino Quadruped Robot: Step‑by‑Step Guide
  4. Arduino Flip Clock with 8×8 LED Matrix – DIY Real‑Time Clock Project
  5. Build an Isolated Analog Input Circuit for Arduino
  6. Build a TV Output Cable for Arduino UNO with Just Two Resistors
  7. Build an 8x8x8 RGB LED Cube with Arduino – DIY Guide
  8. Build a Stunning POV Cylinder with Arduino Due – Step‑by‑Step Guide
  9. Build a Reliable Arduino Kitchen Timer with LCD Display
  10. ArduTester V1.13: Automated Transistor Tester Powered by Arduino UNO