Industrial manufacturing
Industrial Internet of Things | Industrial materials | Equipment Maintenance and Repair | Industrial programming |
home  MfgRobots >> Industrial manufacturing >  >> Manufacturing Equipment >> CNC Machine

Complete NUMS 322T CNC Program – Step-by-Step Example

Submit by: BEATA

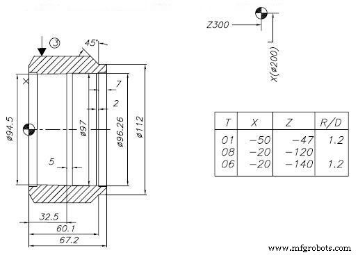
Drawing/Image

Complete NUMS 322T CNC Program – Step-by-Step Example

CNC Program

PR. 67 TAE/500
TAE-32N 01/1006.00
MOC. 4
POZYCJA BAZY : X=200Z=300
%%%
N001 G95 S030 M04
N002 G00 X1600 Z-18500 T0101
/N003 G01 X-6000 F200 M08
/N004 G00 X4000 Z23200 M05
/N005 M00
/N006 X-3400 Z-23200 S030 T0101 M04
N007 Z-80
N008 G01 X-21000 F250 M08
N009 G00 X1600 Z100
N010 G01 Z-8900 F200
N011 X3150 Z-3150
N012 G00 X35 Z1205
N013 X-600
N014 G01 Z-8900 F200
N015 X5650 Z-5650
N016 G00 X35 Z1455
N017 X-1035 Z-35
N018 G01 X1850 Z-1850
N019 Z-6610
N020 X8150 Z-8240
N021 G00 X35 Z1705
N022 X-1450 Z18480 M05
N023 T0000
N024 X-12500 Z-11180 S015 T0808 M03
N025 G01 Z-35700 F1000
N026 X-3500 F120 M08
N027 X3500 F1000
N028 G00 Z3570
N029 X12500 Z11180
N030 T0000
N031 X-12800 Z-9180 S030 T0606 M03
/N032 G01 Z-6200 F200 M08
/N033 G00 X14800 Z23800 M05
/N034 M00
/N035 X-14800 Z-23180 S030 T0606 M03
N036 X-285 Z-35
N037 G01 X1850 Z-1850 F200 M08
N038 Z-5900
N039 X700
N040 X300 Z-3500 F150
N041 X890 Z-52100
N042 G00 X111 Z6370
N043 X12600 Z9180 M05
N044 T0000
N045 M30
%%%

CNC Machine

  1. Fanuc CNC Programming Guide: A Simple, Feature‑Rich Example
  2. Simple CNC Lathe Programming: Inch-Based Example for Beginners
  3. Full Heidenhain Conversational CNC Program Example
  4. NUMS 322T CNC Program Example – Comprehensive G‑Code for CNC Machining
  5. NUMS 322T CNC Programming Sample – Step‑by‑Step Guide
  6. Complete Selca CNC Program Example – Step‑by‑Step Guide
  7. CNC Lathe Boring Operation – Simple, Effective Program Tutorial
  8. CNC Lathe Programming: Arc Radius Example Using G02 & G03 Codes
  9. CNC Lathe Taper Turning Program: Easy Step-by-Step Example
  10. CNC School Tutorial: Basic CNC Turning Program Example