Low‑Power LED Drivers Empower Next‑Gen Automotive Lighting

ON Semiconductor has unveiled a new family of four low‑power solid‑state lighting devices that empower automotive manufacturers to deliver the high performance and advanced functionality consumers now demand for exterior and interior illumination.
Designed for low‑power LED applications, the family includes two driver ICs—NCV7683 and NCV7685—and two current‑control ICs—NCV7691 and NCV7692.
As safety becomes paramount, automakers are replacing simple on/off circuits with intelligent lighting systems that vary intensity and motion for rear combination lamps (RCLs), turn signals, fog lamps, and other externally modulated LED arrays, providing clearer, more visible warnings to road users.
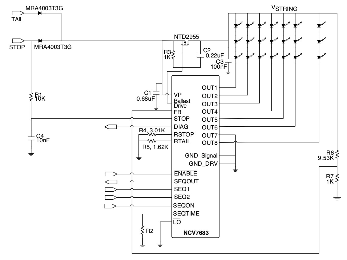
The NCV7685 offers twelve linear programmable current sources, while the NCV7683 provides eight, each capable of driving up to 100 mA per channel. These devices support daisy‑chaining, variable illumination levels, current regulation, sequencing, and channel combination. The NCV7685 features an 8‑bit I²C interface with CRC8 error detection, enabling per‑channel PWM control and advanced diagnostics such as open‑string or undervoltage detection. A dedicated diagnostic pin further enhances fault reporting. The driver can be powered directly from a DC‑DC converter or via an LDO regulator, depending on system requirements.

Typical application of NCV7683 with external FET ballast transistor. (Source: On Semiconductor)
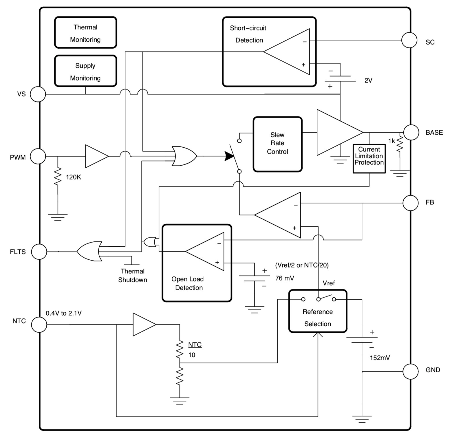
The NCV7691 delivers a wide, regulated current range for single or multi‑string LED arrays, requiring only an external NPN transistor and a feedback resistor. Its design allows easy addition of single channels to multi‑channel boards and supports dimming through a PWM input. Built‑in protection—open‑string, short‑circuit, and thermal shutdown—guarantees safe, reliable operation of critical lighting. The NCV7692 variant offers faster response and a lower threshold for open‑load detection.

NCV7691 functional block diagram. (Source: On Semiconductor)
Embedded
- Ammeter Design: Shunt Resistor Techniques for Accurate Current Measurement
- TI Unveils Ethernet PHYs That Streamline Design and Boost Network Performance
- Infineon’s NLM0011 & NLM0010: NFC‑Enabled Contactless LED Driver Programming
- Renesas Launches Ultra‑Compact 8.2‑mm Creepage Photocouplers to Shrink Industrial Automation and Solar Inverter Designs
- ADI Launches ADM2867E: Integrated Isolated RS‑485 Transceiver with DC/DC Converter for Space‑Saving Applications
- Atmosic Low‑Power Wristband Powers Bluetooth 5 Contact Tracing for Toronto Wolfpack Events
- Kneron Unveils KL720 AI SoC, Boosting Edge Device Power Efficiency
- How Wide‑Bandgap Semiconductors Revolutionize Motor Control Design
- STMicroelectronics Launches AutoDevKit: Accelerating Automotive ECU Design
- Panel Meters: A Cost‑Effective Solution for Machine Interface and Control