ICM-20608-G: Compact 6‑Axis Motion Sensor for High‑Performance Applications
Motion tracking—capturing the movement of objects or people—underpins critical systems in defense, healthcare, sports, gaming, and more. Integrating gyroscopes and accelerometers into the ultra‑compact devices of today is challenging, but the InvenSense ICM‑20608‑G offers a compelling solution. This 6‑axis sensor combines a 3‑axis gyroscope and a 3‑axis accelerometer in a 3 × 3 × 0.75 mm, 16‑pin LGA package, making it ideal for portable, battery‑powered devices.
What Is the ICM‑20608‑G?
The ICM‑20608‑G is a high‑performance, low‑power motion tracking device that delivers accurate angular velocity and acceleration data. It features a 16‑bit ADC for both sensors, a digital temperature sensor, programmable interrupts, and configurable filters—all in a footprint small enough to fit on handheld gadgets.
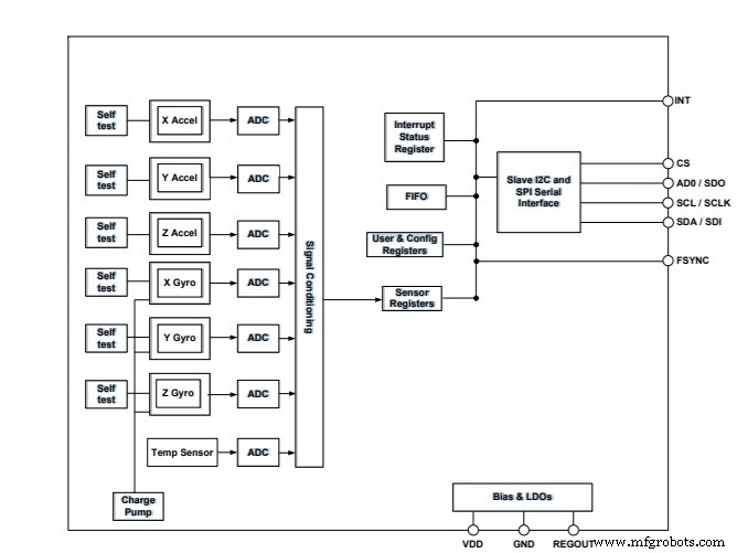
Block Diagram

Key functional blocks include:
- 3‑axis MEMS gyroscope with 16‑bit ADC
- 3‑axis MEMS accelerometer with 16‑bit ADC
- I2C and SPI serial interfaces
- On‑chip self‑test for mechanical and electrical integrity
- Clock management
- 512‑byte FIFO for efficient data buffering
- Programmable interrupts and filters
- Digital temperature sensor
- LDO and charge pump for stable power
- Multiple power‑saving modes
Circuit Integration

The sensor is designed for straightforward I2C integration; pull the CS pin high to select the I2C mode. External ceramic capacitors on REGOUT, VDD, and VDDIO improve noise performance. The device is fully programmable through open‑source libraries, enabling rapid prototyping on platforms such as Arduino.
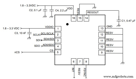
Pin Description

Pinout overview (16‑pin LGA):
- Pin 1 – VDDIO: Digital I/O supply (1.71 V – 3.45 V)
- Pin 2 – SCL/SCLK: I2C clock or SPI serial clock
- Pin 3 – SDA/SDI: I2C data or SPI data input
- Pin 4 – AD0/SDO: I2C address LSB or SPI data output
- Pin 5 – CS: Chip select (0 = SPI, 1 = I2C)
- Pin 6 – INT: Interrupt output
- Pin 7 – RESV: Reserved, not connected
- Pin 8 – FSYNC: Frame sync input (ground if unused)
- Pin 9‑12 – RESV: Reserved, not connected
- Pin 13 – GND: Ground
- Pin 14 – REGOUT: Regulator filter capacitor
- Pin 15 – RESV: Reserved
- Pin 16 – VDD: Core supply (1.71 V – 3.45 V)
Key Specifications
- 3‑axis gyroscope (±250, ±500, ±1000, ±2000 °/s) with factory‑calibrated sensitivity
- 3‑axis accelerometer (±2, ±4, ±8, ±16 g)
- 16‑bit ADCs for both axes
- Programmable interrupts and digital filters
- 512‑byte FIFO to reduce bus traffic
- Dual power supply: VDD and VDDIO (1.71 V – 3.45 V)
- Operating current: 3 mA (both sensors) or 2.6 mA (gyroscope only)
- Shock tolerance up to 10 000 g
- Temperature range: –40 °C to 85 °C; storage: –40 °C to 125 °C
- I2C up to 400 kHz, SPI up to 8 MHz
- Compact 3 × 3 × 0.75 mm LGA package
Applications
- Portable electronics: smartphones, tablets, handheld gaming devices
- Unmanned aerial vehicles and toy aircraft
- Wearables for health, fitness, and sports monitoring
- Robotics and industrial automation
- Virtual reality and augmented reality headsets
- Battery‑powered gadgets requiring low power consumption
- High‑impact protection in drop‑testing and crash‑worthy designs
- Navigation and inertial measurement units (IMUs)
Alternative 6‑Axis Sensors
If the ICM‑20608‑G does not meet a specific requirement, consider alternatives such as the ADXL335, MPU‑6050, or MMA7341. All provide comparable 6‑axis functionality but differ in package size, power consumption, and calibration features.
The integrated 6‑axis design streamlines manufacturing by eliminating the need to select, qualify, and integrate separate gyroscope and accelerometer components. This simplifies firmware development and reduces time‑to‑market, especially when paired with open‑source libraries for Arduino and other microcontrollers.
For more detailed electrical characteristics and interrupt timing, refer to the official ICM‑20608‑G datasheet. Which serial interface has proven most effective in your project?
Sensor
- 4 Key Applications of Hafnium: From Electronics to Aerospace
- HC‑SR04 Ultrasonic Sensor: How It Works and Key Applications
- Understanding IMU Sensors: Functionality and Applications in Modern Tech
- Inductive Sensors: How They Work and Key Industrial Applications
- APDS‑9960: A Multi‑Sensor IC for Gesture, Proximity, Light and Color Detection
- BH1750 Ambient Light Sensor: Specs, Features, and Practical Applications
- VL53L0X Laser Distance Sensor: Pinout, Circuit, Specs & Practical Applications
- Piezoelectric Sensors: How They Work, Key Specs, and Arduino Integration
- LM335 Temperature Sensor: Complete Guide to Specs, Setup, and Real-World Uses
- Roll Pin Punches: Key Applications & Industrial Uses